DJ、LDJ型機架(CD130B-86)

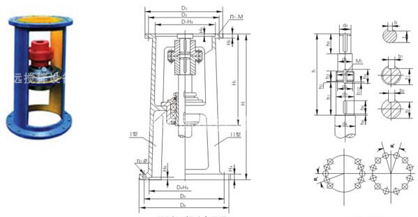
DJ、LDJ型單支點機架主要參數及尺寸
| 型號 | H1 | H3 | H4 | H5 | H6 | 輸入端接口 | 輸出端接口 | |||||||
| D1 | D2 | D3 | n1-M | D4 | D5 | D6 | a° | n2-φ | ||||||
| DJ,LDJ30AB | 320 | 15 | 20 | 4 | 6 |
140 200 |
160 230 |
190 260 |
4-B10 6-M12 |
240 | 285 | 315 |
Ⅰ20 Ⅱ30 |
10-φ14 12-φ14 |
| DJ,LDJ35A | 334 | 17 | 20 | 5 | 6 | 170 | 200 | 230 |
6-M10 (6-M12) |
260 | 320 | 360 |
Ⅰ20 Ⅱ30 |
10-φ14 12-φ14 |
| DJ,LDJ40AB | 334 | 17 | 20 | 4 | 6 |
200 230 |
230 260 |
260 290 |
6-M10 6-M12 |
260 | 320 | 360 |
Ⅰ20 Ⅱ30 |
10-φ14 12-φ14 |
| DJ,LDJ45A | 338 | 20 | 20 | 5 | 6 | 200 | 230 | 260 |
6-M10 (6-M12) |
260 | 320 | 360 |
Ⅰ20 Ⅱ30 |
10-φ14 12-φ14 |
| DJ,LDJ55AB | 372 | 22 | 24 |
6 5 |
6 | 270 |
310 305 |
340 |
6-M10 8-M16 |
325 | 400 | 435 | 30 | 12-φ14 |
| DJ,LDJ65A | 447 | 22 | 24 | 6 | 6 | 316(320) | 360 | 400 |
8-M12 (8-M16) |
350 | 420 | 460 | 30 | 12-φ18 |
| DJ,LDJ70AB | 447 | 22 | 24 |
6 5 |
6 |
316(320) 320 |
360 | 400 |
8-M12 (8-M16) |
350 | 420 | 460 | 30 | 12-φ18 |
| DJ,LDJ80AB | 495 | 22 | 28 |
6 5 |
8 |
345 360 |
390 410 |
430 460 |
8-M16 (8-M20) |
380 | 455 | 495 | 30 | 12-φ18 |
| DJ,LDJ90A | 519 | 22 | 28 | 7 | 8 | 400 | 450 | 490 |
12-M16 (12-M20) |
430 | 510 | 555 | 30 | 12-φ23 |
| DJ,LDJ100AB | 535 | 25 | 28 |
9 5 |
10 |
455(460) 470 |
520 | 580 | 12-M20 | 480 | 560 | 600 | 22.5 | 16-φ23 |
| DJ,LDJ110AB | 660 | 30 | 25 |
11 6 |
10 | 520 | 590 | 650 | 12-M20 | 560 | 650 | 700 | 22.5 | 16-φ27 |
| DJ,LDJ120A | 660 | 30 | 38 | 11 | 10 | 520 | 590 | 650 | 12-M20 | 560 | 650 | 700 | 22.5 | 16-φ27 |
| DJ,LDJ130AB | 790 | 45 | 40 |
12 9 |
10 | 680 | 800 | 880 | 12-M30 | 720 | 810 | 880 | 18 | 20-φ27 |
| DJ,LDJ140A | 790 | 45 | 40 |
12 9 |
12 | 680 | 800 | 880 | 12-M30 | 720 | 810 | 880 | 18 | 20-φ27 |
| DJ,LDJ150 | 790 | 45 | 45 |
14 10 |
12 | 820 | 940 | 1020 | 16-M30 | 840 | 940 | 1020 | 22.5 | 16-φ33 |
| DJ,LDJ160 | 810 | 50 | 50 |
14 10 |
12 | 820 | 940 | 1020 | 16-M30 | 840 | 940 | 1020 | 22.5 | 16-φ33 |
| DJ,LDJ180 | 910 | 55 | 50 |
14 10 |
12 | 960 | 1080 | 1160 | 20-M30 | 970 | 1080 | 1160 | 18 | 20-φ33 |
| 型號 | 攪拌軸軸端尺寸 | DJ型 | LDJ型 | |||||||||||||||||||||
| h(A/B) | h0 | h1 | h2 | h3 | h4 | h5 | h6 | d0 | d1 | d2 | M1 | d3(h9) | zd4 | b | b1 | b2 | t | t1 | t2 | H | 重量kg | H | 重量kg | |
| DJ,LDJ30AB | 250/254 | 53 | 103 | 3 | 13 | 22 | 30 | 3 | 30 | 32 | 32.8 | M35×1.5 | 35 | 40 | 8 | 6 | 6 | 26 | 31 | 31.5 | 550 | 46 | 700 | 54 |
| DJ,LDJ35A | 253 | 53 | 113 | 3 | 15 | 24 | 40 | 3 | 35 | 42 | 42.8 | M45×1.5 | 45 | 50 | 10 | 6 | 6 | 30 | 41 | 41.5 | 600 | 79 | 750 | 89 |
| DJ,LDJ40AB | 242/249 | 69 | 113 | 3 | 15 | 24 | 40 | 3 | 40 | 42 | 42.8 | M45×1.5 | 45 | 50 | 12 | 6 | 6 | 35 | 41 | 41.5 | 600 | 79 | 750 | 89 |
| DJ,LDJ45A | 246 | 69 | 113 | 3 | 15 | 28 | 40 | 3 | 45 | 47 | 47.8 | M50×1.5 | 50 | 65 | 14 | 8 | 8 | 39.5 | 46 | 46 | 600 | 84 | 750 | 94 |
| DJ,LDJ55AB | 274/272 | 80 | 118 | 4 | 15 | 27 | 40 | 3 | 55 | 57 | 57 | M60×2 | 60 | 65 | 16 | 8 | 8 | 49 | 56 | 56 | 660 | 151 | 760 | 157 |
| DJ,LDJ65A | 333 | 87 | 143 | 4 | 18 | 32 | 50 | 3 | 65 | 71 | 72 | M75×2 | 75 | 80 | 18 | 10 | 10 | 58 | 69 | 70 | 720 | 171 | 870 | 181 |
| DJ,LDJ70AB | 333/327 | 87 | 143 | 4 | 18 | 32 | 50 | 3 | 70 | 71 | 72 | M75×2 | 75 | 80 | 20 | 10 | 10 | 62.5 | 69 | 70 | 720 | 171 | 870 | 181 |
| DJ,LDJ80AB | 371/340 | 91 | 163 | 4 | 18 | 32 | 60 | 3 | 80 | 81 | 82 | M85×2 | 85 | 90 | 22 | 10 | 10 | 71 | 79 | 80 | 785 | 209 | 935 | 219 |
| DJ,LDJ90A | 375 | 125 | 168 | 4 | 20 | 36 | 60 | 3 | 90 | 91 | 92 | M95×2 | 95 | 4110 | 25 | 12 | 12 | 81 | 89 | 90 | 805 | 266 | 955 | 276 |
| DJ,LDJ100AB | 386/360 | 134 | 178 | 4 | 24 | 42 | 60 | 3 | 100 | 111 | 112 | M115×2 | 115 | 125 | 28 | 14 | 14 | 90 | 109 | 109.5 | 820 | 347 | 1020 | 362 |
| DJ,LDJ110A | 456 | 155 | 178 | 4 | 24 | 42 | 60 | 3 | 110 | 112 | 112 | M115×2 | 115 | 125 | 28 | 14 | 14 | 100 | 108 | 109.5 | 1100 | 533 | 1150 | 537 |
| DJ,LDJ120A | 456 | 155 | 178 | 4 | 24 | 42 | 60 | 3 | 120 | 122 | 122 | M125×2 | 125 | 140 | 32 | 14 | 14 | 109 | 119 | 119.5 | 1100 | 553 | 1150 | 557 |
| DJ,LDJ130AB | 570/570 | 197 | 208 | 4 | 28 | 46 | 70 | 3 | 130 | 135 | 137 | M140×2 | 140 | 150 | 32 | 14 | 14 | 119 | 132 | 134.5 | 1200 | 723 | 1400 | 754 |
| DJ,LDJ140A | 570 | 197 | 208 | 4 | 28 | 48 | 70 | 3 | 140 | 145 | 147 | M150×2 | 150 | 160 | 36 | 16 | 16 | 128 | 142 | 144 | 1200 | 743 | 1400 | 774 |
| DJ,LDJ150 |
根據減 速機型 號而定 |
210 | 208 | 4 | 32 | 52 | 70 | 3 | 150 | 155 | 156 | M160×3 | 160 | 170 | 36 | 16 | 16 | 138 | 152 | 154 | 1200 | 765 | 1400 | 798 |
| DJ,LDJ160 | 210 | 227 | 4 | 32 | 52 | 80 | 3 | 160 | 165 | 166 | M170×3 | 170 | 180 | 40 | 16 | 16 | 147 | 162 | 164 | 1200 | 780 | 1400 | 820 | |
| DJ,LDJ180 | 235 | 242 | 4 | 36 | 58 | 90 | 3 | 180 | 185 | 186 | M190×3 | 190 | 200 | 45 | 18 | 18 | 165 | 180 | 182 | 1280 | 887 | 1400 | 933 | |
注:圖示所“h”僅與本樣本BLD、LC-Ⅱ、DC-Ⅱ系列減速機相配,如選用其他型號或其他廠家減速機,“h”需另行計算。增高后的LDJ型機架其下部空間高度可容納205、206或207雙端面機械密封。
上一篇:旋槳式攪拌器

快速鏈接:
產品展示:
聯系我們:
蘇公網安備32020602003192號